Authors: Russell C. Hibbeler
ISBN-13: 978-0133915426
See our solution for Question 27P from Chapter 17 from Hibbeler's Engineering Mechanics.
We are given the weight of the car $W = 4500\,{\rm{lb}}$, speed $v = 10\,{\rm{ft/s}}$, coefficient of static friction and kinetic friction are ${\mu _s} = 0.5$ and ${\mu _k} = 0.3$ respectively and length from point A and B to center of mass is ${d_1} = 2\;{\rm{ft}}$ and ${d_2} = 4\;{\rm{ft}}$ respectively.
We are asked to determine the time taken by the car andthe normal reactions on each wheel.
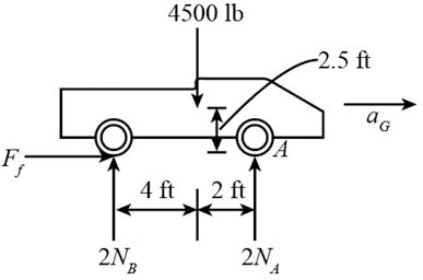
The free body diagram of the picture is as follows:

To find the moment at A, we will use the relation,
\[\begin{array}{c} \Sigma {M_A} = m{a_G}{d_3}\\ - 2{N_B}\left( {{d_1} + {d_2}} \right) - W{d_1} = m{a_G}{d_3} \end{array}\]Here, ${d_3}$ is the distance of the center of mass from the ground whose value is ${d_3} = 2.5\;{\rm{ft}}$.
On plugging the values in the above relation, we get,
\[\begin{array}{c} - 2{N_B}\left( {2\,{\rm{ft}} + 4\,{\rm{ft}}} \right) - \left( {4500\,{\rm{lb}}} \right)\left( {2\,{\rm{ft}}} \right) = \left( {\frac{{4500\,{\rm{lb}}}}{{32.2\,{\rm{ft/}}{{\rm{s}}^2}}}} \right){a_G}\left( {2.5\,{\rm{ft}}} \right)\\ {N_B} = 750 + 29.1149{a_G} \end{array}\]....... (1)To find the forces in x-direction, we will use the relation,
\[\begin{array}{c} \Sigma {F_x} = m{a_G}\\ {F_f} = m{a_G}\\ \left( {{\mu _k}2{N_B}} \right) = \left( {\frac{W}{g}} \right){a_G} \end{array}\]On plugging the values in the above relation, we get,
\[\begin{array}{c} \left( {0.3 \times 2{N_B}} \right) = \left( {\frac{{4500\;{\rm{lb}}}}{{32.2\,{\rm{ft/}}{{\rm{s}}^2}}}} \right){a_G}\\ {N_B} = 232.91{a_G} \end{array}\]...... (2)On equating the equation (1) and (2), we get,
\[\begin{array}{c} 750 + 29.1149{a_G} = 232.91{a_G}\\ {a_G} = 3.68\;{\rm{ft/}}{{\rm{s}}^2} \end{array}\]The normal force on B is calculated as:
\[\begin{array}{l} {N_B} = 232.91\left( {3.68\;{\rm{ft/}}{{\rm{s}}^2}} \right)\\ {N_B} = 857.108\;{\rm{lb}} \end{array}\]To find the forces in y-direction, we will use the relation,
\[\begin{array}{c} \Sigma {F_y} = 0\\ 2{N_B} - 2{N_A} - W = 0\\ 2\left( {857.108\;{\rm{lb}}} \right) - 2{N_A} - 4500\;{\rm{lb}} = 0\\ {N_A} = 1392.89\;{\rm{lb}} \end{array}\]To find the time, we will use the relation,
\[\begin{array}{c} v = u + {a_G}t\\ \left( {10\;{\rm{ft/s}}} \right) = 0 + \left( {3.68\;{\rm{ft/}}{{\rm{s}}^2}} \right)t\\ t = 2.71\;{\rm{s}} \end{array}\]Here, u is the initial speed of the car whose value is zero.