Authors: Russell C. Hibbeler
ISBN-13: 978-0133915426
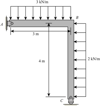
See our solution for Question 154P from Chapter 4 from Hibbeler's Engineering Mechanics.
We are given the distributed load per unit length along member AB is ${F_1} = 3\;{\rm{kN/m}}$, and the distributed load per unit length along member BC is ${F_2} = 2\;{\rm{kN/m}}$.
We are asked an equivalent resultant force and the location where its line of action intersects a horizontal line along member AB, measured from A.
The following is the diagram of the system:

We have the length of member AB is ${d_1} = 3\;{\rm{m}}$.
We have the length of member BC is ${d_2} = 4\;{\rm{m}}$.
The magnitude of the equivalent resultant force along the horizontal line is,
\[{F_x} = {F_2}{d_2}\]Substitute the values in the above expression.
\[\begin{array}{l} {F_x} = \left( {2\;{\rm{kN/m}}} \right)\left( {4\;{\rm{m}}} \right)\\ {F_x} = 8\;{\rm{kN}}\;\left( {{\rm{left}}} \right) \end{array}\]The magnitude of the equivalent resultant force along the vertical line is,
\[{F_y} = {F_1}{d_1}\]Substitute the values in the above expression.
\[\begin{array}{l} {F_y} = \left( {3\;{\rm{kN/m}}} \right)\left( {3\;{\rm{m}}} \right)\\ {F_y} = 9\;{\rm{kN}}\;\left( {{\rm{down}}} \right) \end{array}\]The magnitude of the equivalent resultant force is,
\[F = \sqrt {{{\left( {{F_x}} \right)}^2} + {{\left( {{F_y}} \right)}^2}} \]Substitute the values in the above expression.
\[\begin{array}{l} F = \sqrt {{{\left( {8\;{\rm{kN}}} \right)}^2} + {{\left( {9\;{\rm{kN}}} \right)}^2}} \\ F = 12.04\;{\rm{kN}} \end{array}\]The direction of the equivalent resultant force is,
\[\tan \theta = \frac{{{F_y}}}{{{F_x}}}\]Substitute the values in the above expression.
\[\begin{array}{c} \tan \theta = \frac{{9\;{\rm{kN}}}}{{8\;{\rm{kN}}}}\\ \theta = 48.4^\circ \end{array}\]The direction of the equivalent resultant force is $48.4^\circ $ from negative x-axis.
The location of resultant force by calculating moment about point A is,
\[\begin{array}{c} \Sigma {M_A} = 0\\ {F_x}x + {F_y}y = {F_1}{d_1}\left( {\frac{{{d_1}}}{2}} \right) + {F_2}{d_2}\left( {\frac{{{d_2}}}{2}} \right) \end{array}\]Substitute the values in the above expression.
\[\begin{array}{c} \left( {8\;{\rm{kN}}} \right)x + \left( {9\;{\rm{kN}}} \right)y = \left( {3\;{\rm{kN/m}}} \right)\left( {3\;{\rm{m}}} \right)\left( {\frac{{3\;{\rm{m}}}}{2}} \right) + \left( {2\;{\rm{kN/m}}} \right)\left( {4\;{\rm{m}}} \right)\left( {\frac{{4\;{\rm{m}}}}{2}} \right)\\ 8x + 9y = 29.5\;{\rm{m}} \end{array}\]Along member AB, $x = 0$. Now,
\[\begin{array}{c} 8\left( 0 \right) + 9y = 29.5\;{\rm{m}}\\ y = 3.28\;{\rm{m}} \end{array}\]The location where its line of action intersects a horizontal line along member AB, measured from A is,
\[d = y\]Substitute the values in the above expression.
\[d = 3.28\;{\rm{m}}\]